0Ōsszehasonlítani
Az ōsszes kategória
Felhasználói menū
Az ōsszes kategória

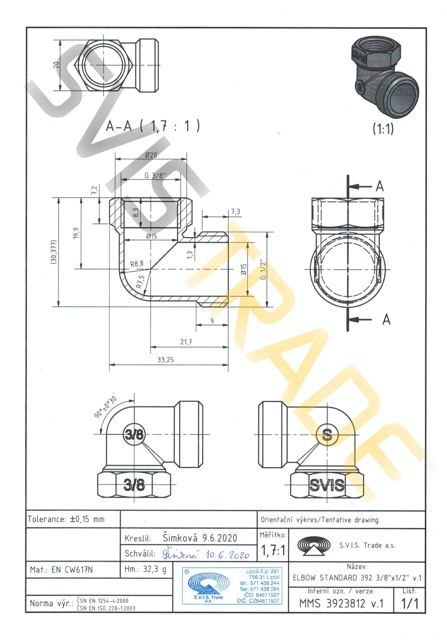
392 3/8"x1/2" redukált könyök – MF STANDARD menetes csatlakozó alkatrész

Sárgaréz idom CW617N. ISO 228-1 as norma szerint meghatározott menetes kapcsolásokra alkalmas. Felületi kezelés nélkül.

Az Ōn ára405,13 Ft
Az Ōn árai Áfa nélkūl319,00  Ft
Raktáron (0 db)Nincs raktárkészleten
Egység:db
Kód 2:031.MMS.392.010.015
EAN:
8592018483033
jótálás:2 ÉV
Normák: ČSN EN 1254-4, ČSN EN ISO 228-1
Certifikát:

Leírás

Menetes sárgarézidom együttes, hollander része,lapos tömítőfelület belső – külső csőmenettel, felületi kezelés nélkül. Hengeres G menettel nem tőmítő mentetekhez az ISO 228-1 norma szerint. Gyártása az EN 1254-4 norma szerint történik. Figyelem: a hollandert egyben, mint egységet kell felhasználni, ugyanis a hollander egyes részei nem felcserélhetőek más- más gyártók, vagy egyazon gyártó más típusú termékével. Használata: Víz(ivóvíz), levegő és nem agresszív médiumok vezetékekben való szállítására, maximális 1,6 MPa nyomásig és 0C tól +120C fokig alkalmas(víz fagyásmentes elegyek nélkül).

Technikai specifikáció

Cseh gyártmány

370 1/2"x3/4" Szűkítő hollanderhez KB UNIVERSAL

MMU37012
309,88  Ft / darabja Áfával
Raktáron (93 db)Nincs raktárkészleten
Sárgaréz idom CW617N. ISO 228-1 as norma szerint meghatározott menetes kapcsolásokra alkalmas. Felületi kezelés nélkül.
A hírlevélre történö feliratkozás elfogadva
Sikertelen lépés, lépjen kapcsolatba velünk
Kosár megjelenítése

Kérem várjon...
A megrendeleśt nem sikerült lezárni, kérem próbálja meg késöbb.